Products >> Glass lined (enamel) chemical equipment >> Glass lined condenser and heat exchanger
Glass lined (enamel) plate type condenser
Instructions for use of glass lined (enamel)plate type condenser and heat exchanger:
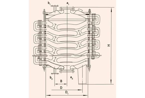
1. The enamel disc condenser is assembled with a bottom, a cover, several pieces, auxiliary washers, and long bolts. The assembly should be carried out according to the drawings and relevant requirements. When tightening the nut, the force should be symmetrical and uniformly applied gradually to achieve no Leakage is the standard and should not be over-tightened.
2. The hot air flows in through the hole in the cover, and the condensate flows out from the hole in the bottom. The cooling water is taken in from the bottom, and the cover takes over and flows out. The cooling water flow can be adjusted according to the water temperature difference at the overflow outlet and the temperature of the condensate to further improve the condensing efficiency.
3. The pH value of the cooling water should be controlled to be neutral and should not be less than 6-8, otherwise the iron bladder will absorb hydrogen and oxygen, which will cause the glass-lined layer to peel off in a large area. The water quality should be relatively clean to prevent the deposition of impurities.
4. If local leakage occurs during use, the nut at this part can be tightened properly, but not too tight.
5. In use, the cooling water should be passed first, followed by the hot air flow. When the use is terminated, the hot air flow should be stopped first, and then the cooling water should be stopped.
6. The glass-lined surface is strictly prohibited from collision and friction with hard materials to prevent damage to the glass-lined surface.
7. The condensing efficiency of this product is significantly higher than that of a sleeve cooler with the same condensing area. This product should be installed vertically and cannot be installed horizontally, which destroys the hot air flow.
8. The thermal shock temperature difference of the glass-lined is ≤120℃, the pressure and temperature should be controlled when the hot air flow is introduced, and the temperature should be slow when the temperature rises. After the equipment is adapted (the difference between the outlet temperature of the condensate water and the inlet temperature of the hot air flow is ≤110 ℃) Then increase the flow rate and switch to normal production.
9. After the condenser has been used for a long time, when the cooling water is found to be turbid and obviously affect the condensation efficiency, measures can be taken to remove the interlayer scale. To remove the scale, a single piece of 5% concentration of warm sulfuric acid should be passed in for a short time, and it should be immediately after three minutes Remove the acid, rinse with a lot of water, and then neutralize it with a 0.5% concentration of dilute lye to fully remove the residual acid, and prevent the iron gallbladder from adsorbing hydrogen and oxygen.
10. A steel wire is added to the sealing gasket of the condenser, which can be used in a direct air production system.
11. When the operating temperature is between 20°C and 150°C, use neoprene outsourcing PTFE gaskets. When the operating temperature is 150℃-200℃, use fluorine rubber to wrap the PTFE gasket.












Previous Product:5m2-10m2 Glass lined tube heat exchanger
Next Product:Glass lined (enamel) condenser and heat exchanger
Products Category
Contact Us
Name: Ivan
Tel: +86 533 5580757
Mobile/Whatsapp: +86-13054986747
E-mail: [email protected]
WeChat: +86-13054986747
Whatsapp: +86-13054986747
Add: No.7 Zhangdian High-tech zone, Zibo City of Shandong province, China
РУССКИЙ
ENGLISH











WhatsApp
Mail inquiry